您好!欢迎访问九游网页版官方网站。

热门关键词:

产品分类
新闻动态

九游网页版
联系人:贺经理
手机:13523555121
电话:0371-64031876
传真:0371-69580678
邮箱:13523555121@163.com
邮编:451200
地址:河南巩义市西村镇工业园区

小拉杆横向波纹补偿器(XLB)

您的位置:九游(中国) > 产品展示 > 波纹补偿器 > 小拉杆横向波纹补偿器(XLB)

小拉杆横向波纹补偿器(XLB)

小拉杆横向波纹补偿器(XLB)

所属分类:波纹补偿器

详细信息

&※相关推荐:【翻遍橡胶接头,柔性橡胶接头,松套限拉伸缩器】是九游网页版的主营业务,公司经营管理理念:本厂以“顾客的需要就是我们的目标”的原则,竭诚为用户提供性能优良的产品,合理的产品价格,快捷的供货周期,专业的技术支持和完善的售后服务。对未来,弘盛充满信心和希望,决心以更优良的品牌和良好的服务,与国内外用户真诚合作,立志做北方区域的热力补偿烟风道设备行业的专业品牌。


小拉杆横向波纹补偿器(XLB)的介绍

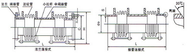
小拉杆横向型波纹补偿器除可以补偿弯曲管道的横向位移和角位移,同时也可以补偿轴向位移。

小拉杆横向波纹补偿器(XLB)的示意图

小拉杆横向波纹补偿器(XLB)

小拉杆横向波纹补偿器(XLB)的型号实例
小拉杆横向波纹补偿器(XLB)
举例:0.6XLB500FB-1500
表示公称通径为500mm,工作压力为0.6Mpa,长度为1500mm,不锈钢法兰连接的小拉杆横向波纹管补偿器。

小拉杆横向波纹补偿器(XLB)的使用说明
小拉杆横向型波纹补偿器除可以补偿弯曲管道的横向位移和角位移,同时也可以补偿轴向位移。样本中所列的轴向补偿量及横向补偿量(X0、Y0 )均单独用作轴向补偿或横向补偿的大值。

产品快速导航

版权所有:九游网页版 地址:河南巩义市西村镇工业园区
电话:0371-64031876   手机:13523555121 传真:0371-69580678

豫ICP备17005782号-1

您是第256036位访问者